Texas Instruments TPS723x Low-Dropout Linear Regulators
Texas Instruments TPS723x Low-Dropout Linear Regulators offer an ideal combination of features to support low-noise applications. The TPS723x LDOs can operate with input voltages from -10V to -2.7V and support outputs from -10V to -1.2V. The LDOs are stable with small, low-cost ceramic capacitors and include enable (EN) and noise reduction (NR) functions. The device offers protections such as thermal short-circuit and over-current, provided by internal detection and shutdown logic. A high PSRR (65dB at 1kHz) and low noise (60µVRMS) make the Texas Instruments TPS723x ideal for low-noise applications.Features
- 60µVRMS typical ultralow noise
- 65dB typical at 1kHz high PSRR
- 280mV typical at 200mA, 2.5V low dropout voltage
- Available in –2.5V and adjustable (–1.2V to –10V) versions
- Stable with a 2.2µF ceramic output capacitor
- Less than 2µA typical quiescent current in shutdown mode
- 2% overall accuracy (line, load, temperature)
- Thermal and over-current protection
- Packages
- SOT23-5 (DBV)
- SOT23-5 (DDC)
- WSON-6 (DRV)
- -40°C to 125°C operating junction temperature range
Applications
- Optical modules
- Semiconductor manufacturing
- Medical accessories
- Oscilloscopes
- Active antenna system mMIMO (AAS)
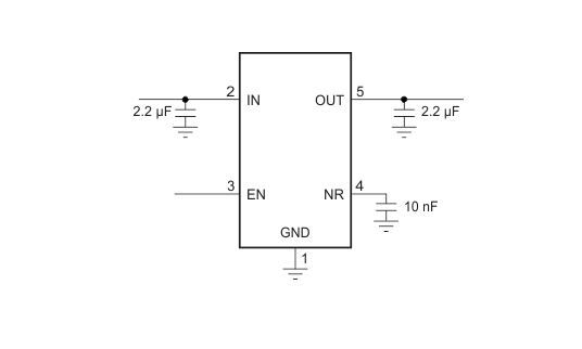
Functional Diagram
Publicerad: 2020-01-24
| Uppdaterad: 2024-05-14
