Texas Instruments TPS38700/TPS38700-Q1 Power-Supply Sequencer
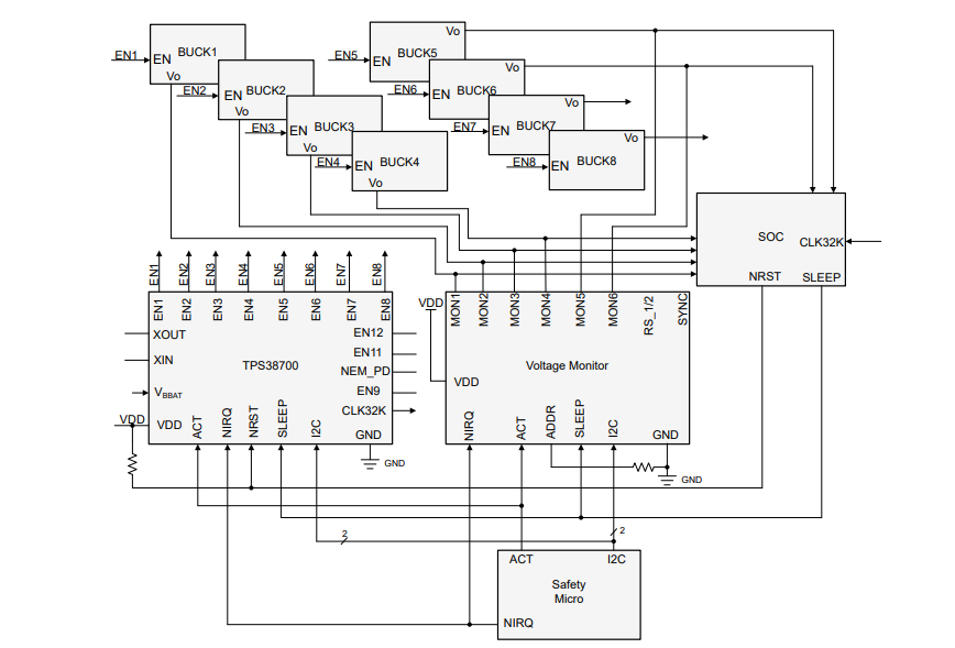
Texas Instruments TPS38700/TPS38700-Q1 Power-Supply Sequencer is an integrated multichannel voltage sequencer with a window watchdog in a 24-pin 4mm x 4mm VQFN package. The TPS38700/TPS38700-Q1 is intended for systems that require precise power-up/power-down sequencing and interfaced with multichannel voltage supervisors. The sequencer defaults to preprogrammed OTP options, but the I2C can reprogram the power-up and power-down sequence, watchdog settings, and sequence timing options if required.The TI TPS38700/TPS38700-Q1 power-supply sequencer offers flexible and programmable voltage rail sequencing capabilities, low quiescent current, and a small footprint. These features allow the device to meet most application conditions. The TPS38700-Q1 devices are AEC-Q100 qualified for automotive applications.
Features
- Input voltage range of 2.2V to 5.5V
- Undervoltage lockout (UVLO) of 2.0V
- Low quiescent current of 30µA (typical)
- Window watchdog
- NVM error check
- 1-bit error correction
- 2-bit error detection
- Independent RESET
- Independent NIRQ
- CRC error check on register maps
- Battery backup
- Crystal oscillator option
- I2C programmable sequence
- RTC clock alarm function
Applications
- Medical robotics
- Industrial robotics
Datasheets
Block Diagram
Multichannel Voltage Sequencer & Monitor
State Diagram
Publicerad: 2022-12-23
| Uppdaterad: 2025-05-06
