Texas Instruments SN74LVC1G99 Multi-Function Gates
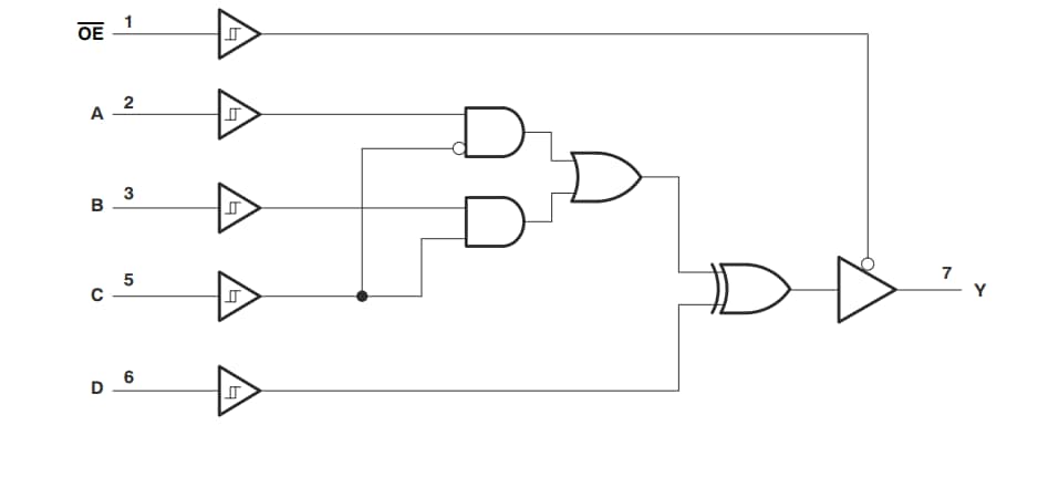
Texas Instruments SN74LVC1G99 Ultra-Configurable Multi-Function Gates provides configurable multiple functions with a 3-state output. When the output-enable input is high, the output is disabled. The output state is determined by 16 patterns of 4-bit input when the output enable is low. Logic functions available include MUX, AND, OR, NAND, NOR, XOR, XNOR, inverter, and buffer, with all inputs able to be connected to VCC or GND. The Schmitt action provides different input threshold levels for positive-going (VT+) and negative-going (VT–) signals, although the device can function as an independent inverter. The OE should be tied to VCC through a pullup resistor to ensure the high-impedance state during power up or power down. The Ioff enables the device to be ideal for partial power-down applications.Features
- Available in Texas Instruments NanoFree package
- Supports 5V VCC operation
- Inputs accept voltages to 5.5V
- Supports down translation to VCC
- Max tpd of 6.7ns at 3.3V
- Low power consumption, 10µA Max ICC
- ±24mA Output drive at 3.3V
- Offers nine different logic functions in a single package
- Ioff Supports live insertion, partial-power-down mode, and back-drive protection
- Input Hysteresis allows for slow input transition time and better noise immunity at an input
- Latch-up performance exceeds 100mA Per JESD 78, Class II
- ESD Protection exceeds JESD 22
- 2000V Human-body model (A114-A)
- 200V Machine model (A115-A)
- 1000V Charged-device model (C101)
Logic Diagram
Publicerad: 2018-08-08
| Uppdaterad: 2023-02-08
