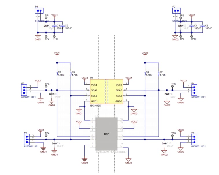
Texas Instruments ISO1640EVM Evaluation Module
Texas Instruments ISO1640EVM Evaluation Module is configured to evaluate the operation of the ISO1640 and ISO1641 Isolated I2C Transceivers. The ISO1640 and ISO1641 Isolated I2C Transceivers in 8-pin D and 16-pin DW packages allow the ISO1640EVM to analyze data transmission systems.The TI ISO1640EVM Evaluation Module can evaluate different system parameters of ISO1640 and ISO1641 devices. Test signals and sequences can be applied to the device channels to assess performance characteristics of parameters such as propagation delay, rise/fall times, and power consumption for different device conditions.
Features
- For evaluation of ISO1640 and ISO1641 devices in D and DW packages
- 3V to 5.5V on Side 1 and 2.25V to 5.5V on side 2 supply voltage and level translation range
- Isolated, bidirectional, I2C-compatible communication
- Test points and headers for standalone evaluation or evaluation with larger systems
- Isolation barrier life >40 years
Board Layout
Basic EVM Operation
Schematic
Publicerad: 2020-10-28
| Uppdaterad: 2024-09-10
