ScioSense LTDC-X3 Time-to-Digital Converter

ScioSense LTDC-X3 Time-to-Digital Converter (TDC) offers a two-channel design, high time measurement resolution, and high output data rate required in LiDAR systems. This converter provides a single-shot resolution of up to 20psRMS and can measure both the rising and falling edge of a pulse on both stop channels. The LTDC-X3 can operate at intervals between pulses of as little as 5ns and is equipped with a high-speed quad SPI interface. Configured to register up to four stop triggers for each start pulse, the LTDC-X3 enables a LiDAR sensor to detect reflections from multiple objects in the field of view. This TDC is ideal for use in optical ranging systems in drones, robots, golf range finders, safety scanners, and various industrial applications.

Features

  • Two TDC stop channels, one separate TDC start channel
  • Pulse measurements on rising and falling edge
  • Stop mask window
  • Start pulse generator, including configurable phase noise
  • Calibrated time measurement results
  • Stop input comparator compatible with LVDS
  • Stop measurement of up to 4 pulses on rising and falling edge
  • Optimized for LiDAR applications
  • High efficiency due to high sample rate
  • Reduced cooling thanks to low power consumption
  • Small package, low number of external components

Applications

  • Robots LiDAR
  • Drones
  • Golf range finders
  • Safety scanners
  • Industrial
  • Door scanners

Specifications

  • 3.3V operating voltage
  • Minimal pulse with 2.5ns
  • 5ns minimal pulse-to-pulse spacing (combined channels)
  • 2.4μs maximal measuring range
  • 20ps typical RMS resolution
  • 50MHz/200MBPS quad SPI interface
  • QFN32 package
  • -40°C to 125°C temperature range

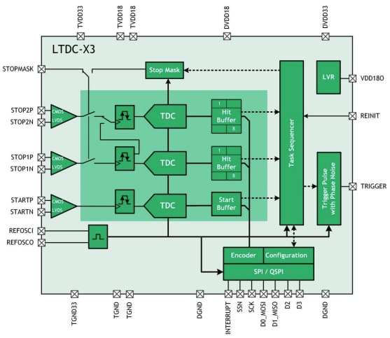
Block Diagram

Block Diagram - ScioSense LTDC-X3 Time-to-Digital Converter

Function

Infographic - ScioSense LTDC-X3 Time-to-Digital Converter
Publicerad: 2024-11-14 | Uppdaterad: 2026-02-18