Renesas Electronics 4-20mA Current Loop Transmitter
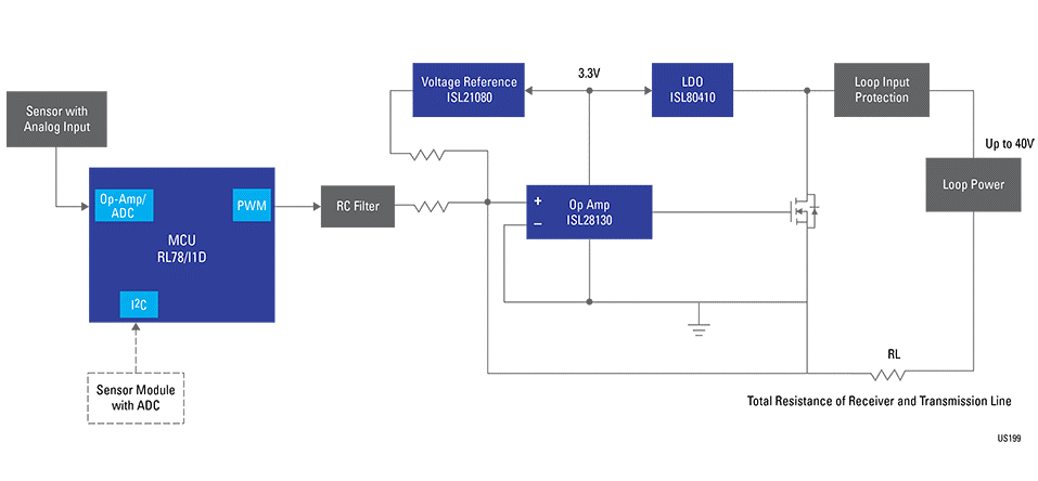
Renesas Electronics 4mA to 20mA Current Loop Transmitter employs the 4mA to 20mA current loop, which is the dominant standard for sensor systems. This current loop is a simple option to configure and connect and uses less wiring and connections to reduce the overall system cost. The 4mA to 20mA current loop transmitter comes with a precision Digital Power Monitor (DPM), stable power source, and low power analog rich features of the RL78/I1D MCU.
Features
- RL78/I1D analog and low-power MCU for detector and sensor applications
- ISL80410 high-voltage, adjustable VOUT, low quiescent current linear regulator suited for always-on applications
- ISL21080 nano-power (310nA typical) precision voltage reference
- ISL28130 single micropower, low-drift, and RRIO operational amplifier
- A simple option to configure and connect
- Reduces overall system cost
- Better for traveling long distances as the current does not degrade
- The standard for sensor systems
Block Diagram
Publicerad: 2020-02-26
| Uppdaterad: 2024-07-05
