Qorvo QM14068 Low Noise Amplifiers (LNAs)
Qorvo QM14068 Low Noise Amplifiers (LNAs) with bypass switches are designed for ultra-wideband (UWB) systems. These amplifiers support wireless technology in a 6.2GHz to 8.3GHz frequency range. The integrated input and output 50Ω match minimizes the layout area in applications and reduces the bill-of-materials and manufacturability costs. The QM14068 amplifier performance is focused on a balance of a low noise figure of 1.8dB and an LNA gain of 15dB that increases receive sensitivity. Control is operated with a single-bit GPIO pin and easy software control using UWB transceivers. Qorvo QM14068 amplifiers are ideal for the Internet of Things (IoT), real-time location systems, asset tracking, connected homes, automation, and security applications.
Features
- 1.8dB noise figure (typical) across frequency range
- 15dB gain (typical)
- Rx gain flatness in LNA mode -1.0dB to +1.0dB over maximum bandwidth (500MHz)
- 1.8V typical supply voltage
- Internal DC blocking on input and output pins
- 400nS bypass to high-gain switching speed
- 1mm x 1.2mm x 0.52mm package dimensions
Applications
- IoT
- High-precision real-time location systems
- Location-aware wireless sensor networks
- Factory/warehouse automation and security
- Asset tracking
- Healthcare staff and patient location
- Retail security, navigation, and analytics
- Connected homes
Functional Block Diagram
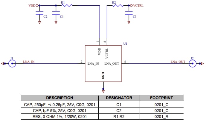
Schematic
