Microchip Technology MIC4607A Three-Phase MOSFET Drivers
Microchip Technology MIC4607A Three-Phase MOSFET Drivers provide a fast (35ns) propagation delay time and a 20ns driver rise/fall time for a 1nF capacitive load. The MIC4607A TTL inputs can be separate high- and low-side signals or a single PWM input with high and low drive generated internally. High- and low-side outputs are guaranteed to not overlap in either mode. The MIC4607A comprises overcurrent protection with blanking time insertion and a high-voltage internal diode that charges the high-side gate drive bootstrap capacitor. The high-speed and low-power level shifter supplies clean-level transitions to the high-side output. The rugged operation of the MIC4607A provides that the outputs are not affected by supply glitches, HS ringing below ground, or HS slewing with high-speed voltage transitions. Undervoltage protection is delivered on both the low-side and high-side drivers.The Microchip MIC4607A is housed in a 28-pin 4 mm x 5mm VQFN package with wettable flanks in Moisture Sensitivity Level 1. The operating junction temperature range of the device is between -40°C and +125°C.
Features
- Gate drive supply voltage up to 16V
- Enhanced overcurrent protection with added blanking time
- Drives high-side and low-side N-channel MOSFETs with independent inputs or with a single PWM signal
- TTL input thresholds
- On-chip bootstrap diodes
- Fast 35ns propagation times
- Shoot-through protection
- Drives 1000pF load with 20ns rise and fall times
- Low power consumption
- Supply undervoltage protection
- -40°C to +125°C junction temperature range
- Qualified according to AEC-Q100 and AEC-Q006
Applications
- Three-phase and BLDC motor drives
- Three-phase inverters
- Automotive BLDC motor applications
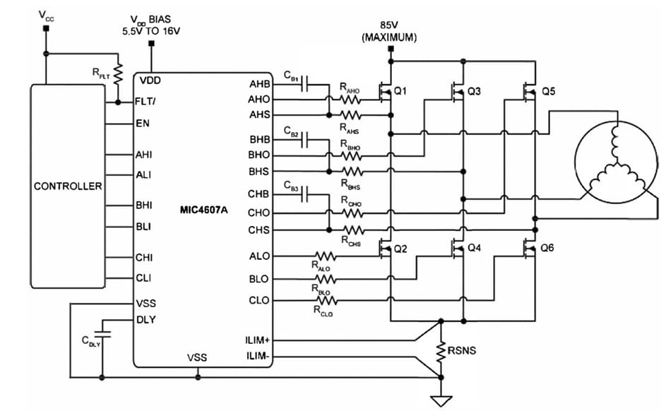
Typical Application Circuit
Package Type
Functional Diagram
Input Logic Block
Publicerad: 2025-02-17
| Uppdaterad: 2025-06-23
