Diodes Incorporated AH49FQ Hall Effect Sensor
Diodes Incorporated AH49FQ Hall Effect Sensor is a small and versatile linear hall effect sensor operated by the magnetic field from a permanent magnet or an electromagnet. This sensor integrates low noise output circuitry that eliminates the need for external filtering components. The supply voltage sets the AH49FQ sensor's output voltage and varies in proportion to the strength of the magnetic field. This sensor includes precision resistors to provide increased temperature stability and accuracy. The AH49FQ hall effect sensor is used in position sensing, liquid level sensing, weight sensing, ferrous metal detectors, rotary encoders, magnetic code reading, and current sensing.Features
- 3mA power consumption at VCC=5V for energy efficiency
- Single current sourcing output
- Linear voltage output for circuit design flexibility
- Low-noise output virtually eliminates the need for filtering
- Stable and accurate output
- -40°C to +105°C operating temperature range
- Responds to either positive or negative gauss
- Up to 50V maximum instantaneous supply voltage
- High ESD Rating:
- 3000V (human body model)
- 2000V (charged device model)
- Small low-profile SC59 package
- AEC-Q100 grade 2 qualified
- Pb-free and RoHS compliant
- Halogen and antimony free - "Green" device
Applications
- Position sensing
- Liquid level sensing
- Weight sensing
- Ferrous metal detectors
- Vibration sensing
- Rotary encoders
- Magnetic code reading
- Motor controls
- Current sensing
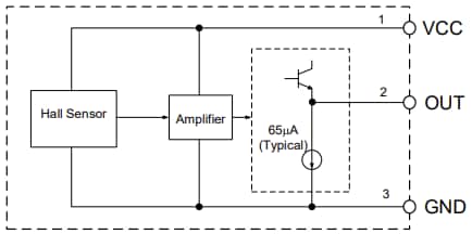
Functional Block Diagram
Package Outline Dimensions
Publicerad: 2023-06-13
| Uppdaterad: 2024-05-16
