Analog Devices Inc. MAX77960/MAX77961 USB-C™ Buck-Boost Chargers
Analog Devices Inc. MAX77960/MAX7761 USB-C™ Buck-Boost Chargers are high-performance wide input 3A or 6A chargers with Smart Power Selector™. The chargers operate as a reverse buck converter without an additional inductor. This allows the ICs to power USB on-the-go (OTG) accessories. The devices integrate low-loss power switches and provide high efficiency. MAX77960/MAX7761 also provides low heat, fast battery charging, and a true load disconnect. An adjustable output current limit protects it. The devices are highly flexible and programmable through the I2C configuration or autonomously through a resistor configuration.Features
- 3.5V to 25.4V input operating range, 30VDC withstand
- 97% peak efficiency for 2S battery at 9VIN/7.4VOUT/1.5AOUT
- 97% peak efficiency for 3S battery at 15VIN/12.6VOUT/2AOUT
- MAX77960
- 100mA to 3.15A programmable input current limit
- 100mA to 3A programmable constant current charge
- MAX77961
- 100mA to 6.3A programmable input current limit
- 100mA to 6A programmable constant current charge
- Remote differential voltage sensing
- 600kHz switching frequency
- System instant-on with smart power selector power path
- Charge safety timer
- Die temperature regulation with thermal foldback loop
- Input power management with Adaptive Input Current Limit (AICL) and input voltage regulation
- 10mΩ BATT to SYS switch, up to 10A overcurrent threshold
- Reverse buck mode 5.1V/3A to support USB OTG
- JEITA compliant with NTC thermistor monitor
- I2C or resistor-programmable
- 4mm x 4mm, 30-Lead FC2QFN package
Applications
- USB Type-C powered wide-input charging applications
- 2- and 3-cell battery-powered devices
- Smartphones, tablets, and 2-in-1 laptops
- Medical devices, health, and fitness monitors
- Digital still, video, and action cameras
- Handheld computers and terminals
- Handheld radios
- Power tools
- Drones
- Battery backup
- Wireless speakers
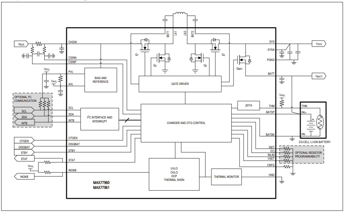
Block Diagram
Publicerad: 2020-10-26
| Uppdaterad: 2024-07-11
