Analog Devices / Maxim Integrated MAX22190 Octal Industrial Digital Input
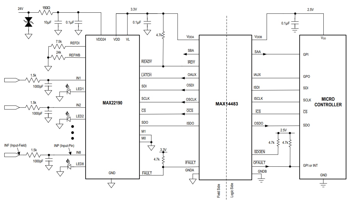
Analog Devices MAX22190 Octal Industrial Digital Input translates eight 24V current-sinking industrial inputs to a serialized SPI-compatible output that interfaces with 3V to 5.5V logic. This IEC 61131-2 compliant industrial digital input device features a current setting resistor that allows it to be configured for Type 1, Type 2, or Type 3 inputs. Field wiring is verified for proximity switches by a second threshold detector on each input. When wire-break is enabled, the FAULT output on the Analog Devices MAX22190 is asserted, and a registered flag is set if the input current drops below the wire-break threshold for more than 20ms. Additional diagnostics that assert FAULT include: over temperature, low 24V field supply, 24V field supply missing, and CRC communication error.Features
- High integration reduces BOM count and board space
- Eight input channels with a serializer
- Operates directly from field supply (7V to 65V)
- Compatible with 3.3V or 5V logic
- 5x5mm TQFN package
- Fault-tolerant with built-in diagnostics
- Input protection to ±40V with low-input leakage current
- Wire break detection
- Integrated field-supply voltage monitors
- Integrated overtemperature monitor
- 5-bit CRC code generation and transmission for error detection
- Reduced power and heat dissipation
- Accurate input-current limiters
- Energyless field-side LED drivers
- Configurability enables a wide range of applications
- Configurable IEC 61131-2 Type 1, 2, 3 inputs
- Configurable input current-limiting from 0.5mA to 3.4mA
- Selectable input debounce filtering
- Robust design
- ±8kV contact ESD and ±15kV Air Gap ESD using a minimum 1kΩ resistor
- ±1kV surge tolerant using a minimum 1kΩ resistor
- -40°C to +125°C ambient operating temperature
Applications
- Programmable Logic Controllers
- Industrial automation
- Process automation
- Building automation
Isolated Octal Digital Input
Publicerad: 2018-06-26
| Uppdaterad: 2023-04-25
