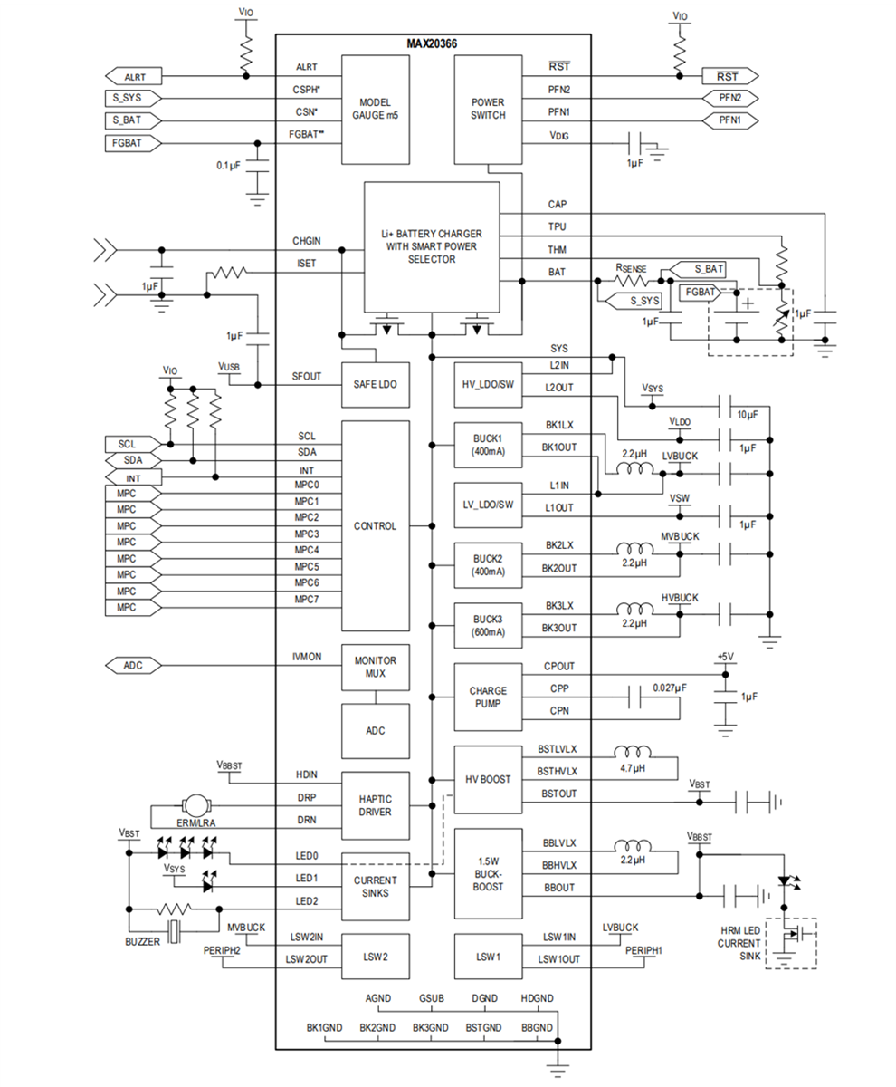
The ADI MAX20366 combines a flexible set of power-optimized voltage regulators, including multiple buck, boost, buck-boost converters, and linear regulators. This combination delivers a high level of integration and allows for the creation of a fully optimized power architecture. Each regulator's ultra-low quiescent current extends battery life in always-on applications.
The MAX20366 includes a complete battery management solution with a battery seal, charger, power path, and fuel gauge. The charger has thermal management and input protection built-in. The device also includes a factory-programmable button controller with multiple customizable inputs to fit specific product UX requirements.
Three integrated LED current sinks are included for indicator or backlighting functions, and an ERM/LRA driver with automatic resonance tracking can provide refined haptic feedback to the user. A low-noise, 1.5W buck-boost converter supplies a clean way to power LEDs commonly used in optical heart-rate systems. The ADI MAX20366 is configurable via an I2C interface that allows for programming various functions and reading the device status, including the ability to read temperature and supply voltages with the integrated ADC.
The device is housed in a 72-bump, 0.5mm pitch, 4.88mm x 4.19mm, wafer-level package (WLP) and operates at an extended temperature range of -40°C to +85°C.
Features
- Extend battery use time between battery charges
- 2 x Micro-IQ, 400mA buck regulators (330nA IQ typ each)
- 0.550V to 1.180V in 10mV steps
- 0.550V to 2.125V in 25mV steps
- 0.550V to 3.700V in 50mV steps
- Micro-IQ, 600mA buck regulator (330nA IQ typ)
- 0.550V to 1.180V in 10mV steps
- 0.550V to 2.125V in 25mV steps
- 0.550V to 3.700V in 50mV steps
- Micro-IQ LV LDO/load switch (1µA IQ typ)
- 1.0V to 2.0V input voltage
- 50mA output
- 0.5V to 1.95V output, 25mV steps
- Micro-IQ LDO/load switch (1µA IQ typ)
- 1.71V to 5.5V input voltage
- 100mA output
- 0.9V to 4V, 100mV steps
- Micro-IQ buck-boost regulator (2µA IQ typ)
- 1.5W output
- 2.6V to 5V in 50mV steps
- 2 x Micro-IQ, 400mA buck regulators (330nA IQ typ each)
- Easy-to-implement Li+ battery charging
- Wide fast charge current range of 5mA to 500mA
- 28V/-5.5V tolerant input
- Programmable JEITA current/voltage profiles
- Minimize solution footprint through high integration
- 3.3V or 5.0V safe output LDO
- 15mA when CHGIN is present
- ERM/LRA Haptic driver
- Automatic braking (LRA Only)
- Automatic resonance tracking (LRA Only)
- 3.3V or 5.0V safe output LDO
- Supports a wide variety of display options
- Micro-IQ boost regulator (2.4µA IQ typ)
- 300mW output
- 5V to 20V in 250mV steps
- 3-channel current sinks
- 20V tolerant
- Programmable from 0.6mA to 30mA
- Optimize system control
- Programmable push-button controller
- Programmable supply sequencing
- Factory shelf mode
- On-chip voltage/charge current monitor mux and Analog-to-Digital Converter (ADC)
- Micro-IQ boost regulator (2.4µA IQ typ)
Applications
- Wearable devices
- IoT
Simplified Block Diagram

