Analog Devices Inc. LTC7068 150V Half Bridge Drivers
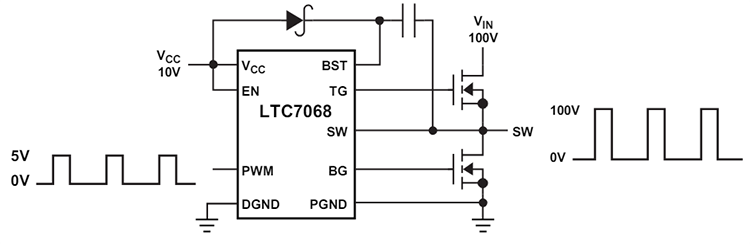
Analog Devices Inc. LTC7068 150V Half Bridge Drivers are half-bridge dual N-channel MOSFET gate drivers that operate at up to 150V input voltage and feature supply-independent three-state pulse width modulation (PWM) input logic. Strong 1.3Ω pull-down and 1.6Ω pull-up drive capabilities enable large gate capacitances of high-voltage MOSFETs with short transition times in high switching frequency applications. The adaptive shoot-through protection is designed for optimized efficiency and MOSFET cross-conduction protection. The LTC7068 contains undervoltage lockout (UVLO) circuits on both the VCC supply and floating driver supply that turn off the external MOSFETs when activated.Features
- 150V maximum input voltage independent of IC supply voltage VCC
- 6V to 14V VCC and bottom gate driver voltage
- 4V to 14V top gate driver voltage
- 1.3Ω pull-down, 1.6Ω pull-up
- Adaptive shoot-through protection
- Three-state PWM input with enable pin
- VCC UVLO and floating supply UVLO
- Drives dual N-channel MOSFETs
- Available in a thermally enhanced 10-lead Mini Small Outline Package (MSOP)
Applications
- Industrial power systems
- Half-bridge DC/DC converters
- Telecommunication power systems
Typical Application
Block Diagram
Publicerad: 2024-07-02
| Uppdaterad: 2024-07-09
