Analog Devices Inc. LTC7063 Half-Bridge Drivers
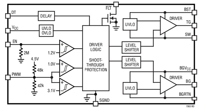
Analog Devices Inc. LTC7063 Half-Bridge Drivers drive two N-Channel MOSFETs in a half-bridge configuration with supply voltages up to 140V. The high-side and low-side drivers can drive the MOSFETs with a different ground reference by offering transient immunity and noise. The use of large gate capacitance high voltage MOSFETs is allowed by the powerful 1.5Ω pull-up and 0.8Ω pull-down MOSFETs. These LTC7063 drivers feature three-state Pulse Width Modulation (PWM) input, adjustable turn-on/off delays, shoot-through protection, and an open drain fault indicator. The LTC7063 half-bridge drivers operate at -40°C to 150°C temperature range, 400µA supply current, 140V maximum input voltage, and 6V to 14V IC operating voltage range. These LTC7063 drivers are ideally used in automotive and industrial power systems, telecommunication power systems, and half-bridge and full-bridge converters.Features
- Unique symmetric floating gate driver architecture
- Difference between input and output grounds
- Adaptive shoot-through protection
- Programmable dead-time
- Three-state PWM input with enabled pin
- VCC UVLO/Over Voltage Lockout (OVLO) and floating supplies Under Voltage Lockout (UVLO)
- Drives dual N-Channel MOSFETs
- Open-drain fault indicator
- Available in thermally enhanced 12-lead MSOP
Specifications
- 6V to 14V IC operating voltage range
- 4V to 14V gate driver voltage range
- –0.3V to 15V VCC supply voltage range
- 0.8Ω pull-down, 1.5Ω pull-up for the fast turn-on/off
- 400µA supply current
- 140V maximum input voltage
- 150V absolute maximum voltage
- -40°C to 150°C operation junction temperature range
- -65°C to 150°C storage temperature range
Applications
- Automotive and industrial power systems
- Telecommunication power systems
- Half-bridge and full-bridge converters
Block Diagram
Application Circuit Diagram
Publicerad: 2023-05-08
| Uppdaterad: 2023-07-17
