Analog Devices Inc. LTC55xx Power Detectors
Analog Devices Inc. LTC55xx Power Detectors are high frequency, wide dynamic range RMS power detectors. The detectors deliver highly accurate power measurements of RF and microwave signals that are independent of modulation and waveforms. The LTC55xx detectors offer a ±1dB accuracy rating over the full operating temperature and RF frequency range. The LTC55xx detectors from Analog Devices are ideal for a wide range of RF and microwave applications.Features
- Frequency Range
- 40MHz to 10GHz (LTC5582)
- 40MHz to 6GHz (LTC5583)
- 100MHz to 40GHz (LTC5596)
- Linear Dynamic Range
- Up to 57dB (LTC5582)
- Up to 60dB (LTC5583)
- 35dB (LTC5596)
- Accurate RMS power measurement of high crest factor modulated waveforms
- High Accuracy
- ±0.5dB (typ) accuracy over temperature (LTC5582 and LTC5583)
- ±1dB (LTC5596)
- Low linearity error with dynamic range (LTC5582)
- 40dB channel-to-channel isolation at 2GHz even with single-ended RF inputs (LTC5583)
- <1.25dB (typ) (LTC5583) matched dual-channel outputs
- Single-ended or differential RF inputs (LTC5582)
- Single-ended RF inputs — no transformer required (LTC5583)
- Difference output provides VSWR measurement (LTC5583)
- Fast envelope detector outputs (LTC5583)
- 29mV/dB logarithmic slope (LTC5596)
- ±1dB flat response from 200MHz to 30GHz (LTC5596)
- Fast Response Time
- 90ns rise time (LTC5583)
- 140ns rise time (LTC5583)
- Low Supply Current
- 41.6mA at 3.3V (typ) (LTC5582)
- 30mA at 3.3V (typ) (LTC5596)
- Compact Package
- 3mm×3mm DFN package (LTC5582)
- 4mm×4mm QFN24 package (LTC5583)
- 2mm×2mm QFN24 package (LTC5596)
Applications
- LTC5582
- PA power control
- RMS power measurement
- Receive and transmit gain control
- Point-to-point microwave links
- RF instrumentation
- LTE, WiMAX, W-CDMA, CDMA2K, TD-SCDMA, EDGE basestations
- LTC5583
- VSWR monitor
- MIMO transmit power control
- Base station PA control
- RF instrumentation
- Transmit and receive gain control
- LTC5596
- RF PA transmit power control
- RMS power measurement
- Receive and transmit gain control
- Point-to-point microwave links
- LTE, WiFi, WiMax wireless networks
- Instrumentation and measurement equipment
- Military radios
LTC5596 Typical Application
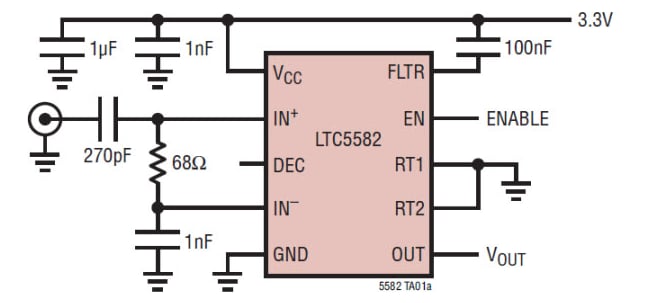
LTC5582 Typical Application
LTC5583 Block Diagram
Power by Linear
Publicerad: 2017-05-11
| Uppdaterad: 2022-03-25
