ABLIC S-8474 Wireless Power Transmitter Control IC
ABLIC S-8474 Wireless Power Transmitter Control IC is configured with an ON time control, an OFF time control, and reception detection circuits. This wireless power IC features an Under-Voltage Lockout (UVLO) circuit, a high-temperature detection circuit, and Over-Temperature Protection (OTP) function. The S-8474 IC operates at -40°C to 85°C temperature range and 4.5V to 6.5V power supply voltage range. This wireless power IC is available in the SNT-8A package and is lead and halogen-free. The S-8474 IC is used in devices for wireless power and a small-sized wireless charging system.Features
- Built-in reception detection circuit
- Over-Temperature Protection (OTP) function
- Under-Voltage Lockout (UVLO) circuit
- 4.5V to 6.5V power supply voltage range
- High-temperature detection circuit
- -40°C to 85°C operating temperature range
- 0.667V, 0.557V, 0.500V, 0.429V, and 0.370V selectable TH pin detection voltage
- Available in the SNT-8A package
- Lead and halogen-free
Applications
- Devices for wireless power
- Small-sized wireless charging system
Block Diagram
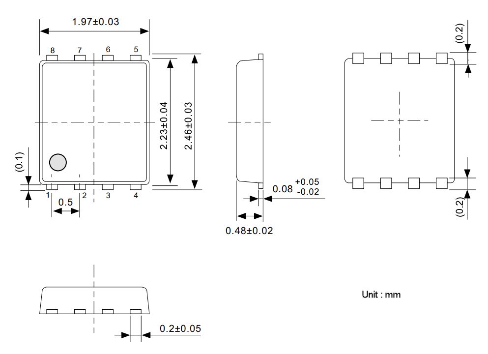
Mechanical Drawing
Publicerad: 2023-03-27
| Uppdaterad: 2023-06-19
