Instrumentation Takes on Design Challenges and Solutions
Image Source:
spaxiax/Shutterstock.com
By Murray Slovick, Mouser Electronics
Edited May 26, 2021 (Originally Published July 2014)
Instrumentation allows engineers to see and understand what is going on within different electronic or mechanical
processes or systems. These devices obtain, analyze, and present data, permitting engineers to monitor and
control machinery and make all necessary corrections. During testing or prototyping, instruments enable circuit
improvements so that new and better designs can be created.
As highly capable instruments with extensive functionality and usability are needed to meet the design challenges
presented by various applications, we’ll look at the characteristics these instruments require to meet
customer expectations and then examine important properties of one key design component—the
instrumentation amplifier.
Different Instruments, Different Requirements
Different markets expect different characteristics from an instrument: The military market is reliability-driven,
the consumer market is cost-driven, the medical market safety-driven, and the automotive market is a combination
of all of the above. However, it is still valid to point out that new instruments designed to meet future
requirements generally have to have one or more of the following characteristics:
- Faster speed: One challenge for modern instrumentation is collecting, without loss, a
large number of signals while efficiently extracting at high speed the information encoded in these signals.
Faster measurement speeds also mean sufficient room must be available to accumulate the data gathered in
memory. One of the most important specifications is the sampling rate, which is related to the speed at
which the device's analog-to-digital converter (ADC) samples a signal.
- Smaller size: Device miniaturization is one of the emerging trends in the
instrumentation market. More and more capabilities are being designed into increasingly smaller designs and
without measurement precision penalty. Smaller form factors are in demand for the high-channel-count
platforms used for laboratory bench testing. Miniaturization instruments are more easily embedded in large
industrial systems. Instruments designed for medical applications also must be small to reduce the physical
size and weight of a patient-worn device.
- Lower power consumption: New devices are expected to reduce power consumption without
eliminating functions or increasing amplifier requirements compared to their predecessors.
- Greater immunity to noise and physical or electrical interference: Operational
requirements calling for instruments to function in environments with the possibility of noise, vibration,
and physical shock all pose challenges to designers. In industrial applications, analog input modules often
must acquire and process signals from remote sensors in harsh environments characterized by extreme
temperature and humidity and possibly even corrosive or explosive chemicals. Portable instruments, which now
have an almost mandatory requirement of a network-connected user interface (UI), might well be subjected to
a duty cycle that includes temperature extremes and moisture and physical stress.
- Increased system reliability and reduced maintenance downtime: System reliability is
of primary importance, as the cost of downtime because of equipment failure can be severe. A failed
electronics assembly on a drill operating offshore, for example, can take more than a day to retrieve and
replace, during which time it holds up the operation of a costly deep-water rig.
- Minimal conversion errors: One example is low quantization noise. The analog input to
an ADC is a continuous signal with an infinite number of possible states. In contrast, its digital output is
a discrete function with different states determined by the device’s resolution. In converting from
analog to digital, parts of the analog signal represented by a different voltage on the input can be
represented by the same digital code at the output. As a result, some information is lost, and distortion
has been introduced into the signal. This is known as quantization noise.
- Higher accuracy and adequate bandwidth: Accuracy is defined as a measure of an
instrument’s capability to indicate the value of a measured signal faithfully. Bandwidth describes the
frequency range in which the input signal can pass through the analog front end with minimal amplitude loss.
- An efficient cooling design: Heat dissipation elements must not be placed near
components sensitive to heat, and airflow must be adequate throughout the device.
Once the operating conditions and performance specifications of an instrument have been determined, the
functional components of the device must be identified in blocks. Selection of suitable sensors, signal
processing circuits, digital and passive components, and power supplies must be made. Meeting these needs
requires a complete bill of materials (BOM) of high-performance components such as analog-to-digital converters
(ADCs) and digital-to-analog converters (DACs). The former is used to convert analog signals such as the output
from a temperature transducer, a radio receiver, or a video camera into digital signals for processing.
Conversely, DACs are used to convert digital signals back to analog signals.
Many applications require substantial signal conditioning to reduce noise, increase dynamic range, and compensate
for sensor non-linearity before an instrument can measure the signal effectively and accurately. For example,
signal conditioning in analog front ends of medical instruments presents the design challenge of detecting small
signals in the presence of large differential DC potentials. Consider electrocardiography (ECG), the acquisition
and recording of electrical activity of the heart (Figure 1). Each of the cell membranes that
form the outer covering of the heart cell has an associated charge that is de-polarized during every heartbeat.
These impulses appear as tiny electrical signals on the skin, which can be detected, translated into a waveform,
and amplified by the ECG.
Figure 1: Block diagram of an
ECG device (Source: Texas Instruments)
A key element of the process, the instrumentation amplifier (or in-amp) is a specialty amplifier type. It is
generally the first component at the measurement front-end, so its performance is critical to the entire
instrument’s performance.
In general, signals obtained from sensors have very small amplitudes and must be amplified before processing and
display can be accomplished. Simply put, the in-amp's function is to extract the small signal of interest (a
differential signal riding on top of a large common-mode signal) from, say, pressure or temperature transducers
and other signal sources in noisy environments and amplify the difference between two input signal voltages.
In-amps are widely used in medical equipment such as ECG and electroencephalogram (EEG) monitors, blood-pressure
monitors, and defibrillators. Other examples of instrumentation applications where in-amps might be used include
audio (as microphone preamps, for example), high-frequency signal amplification in cable radio-frequency (RF)
systems, and high-speed signal conditioning for video imaging. In-amps can also be used for motor monitoring (to
monitor and control motor speed, torque, etc.) by measuring the voltages, currents, and phase relationships of a
three-phase AC motor.
The main difference between an instrumentation amplifier and an operational amplifier is that an op-amp is an
open-loop device. In contrast, an in-amp comes with a preset internal feedback resistor network that is isolated
from its input terminals. As with op-amps, output impedance is very low.
Selecting an in-amp that is a good fit for a particular circuit design requires a clear understanding of its
characteristics and how they are portrayed on product datasheets. A few of the properties that define a
high-quality in-amp include:
- A high common-mode rejection ratio (CMRR): This is the essential figure of merit for
an in-amp. Because an ideal in-amp detects only the difference in voltage between its inputs, any
common-mode signals (equal potentials for both inputs) are rejected at the input stage without being
amplified. In fact, how well the in-amp rejects the common-mode signal is measured by the CMRR, which is
simply the differential gain of the instrumentation amp divided by the common-mode gain. At a minimum, an
in-amp's CMRR should be high over the range of input frequencies that need to be rejected, and overall, a
larger CMRR number is better.
- Low noise: Because it must handle very-low-level input voltages, an in-amp must not
add its noise to that of the signal. Obviously, smaller noise numbers are better. An in-amp's noise
performance typically improves with gain, so in-amps should be compared at the appropriate gain.
- Low input offset voltage and offset voltage drift: As with an operational amplifier,
an in-amp must have low offset voltage. The voltage offset is a source of error and depends on the
amplifier’s topology; it can range from microvolts to millivolts. Amplifiers change behavior over
temperature. Even a high-precision amplifier will be susceptible to temperature drift. Although offset
voltage can be negated with external trimming, offset voltage drift cannot be adjusted out. As with initial
offset, offset drift has two components, with the input and output section of the in-amp, each contributing
its portion of the error. As gain is increased, the offset drift of the input stage can become the major
source of offset error.
- Low gain error: Typically specified as a maximum percentage, it represents the maximum
deviation from the ideal gain equation for a particular amplifier. The gain of an in-amp is either
manufacturer-preset or can be set by the user using an external gain resistor or by manipulating internal
resistors via some of the in-amp's pins. Variations in resistor values and temperature gradients among the
resistor networks can all contribute to gain error.
- Low nonlinearity: Although input offset errors can be corrected, nonlinearity is
an inherent performance limitation and cannot be removed by external adjustment. Nonlinearity is normally
specified as a percentage of full scale, where the manufacturer measures the in-amp's error at the plus and
minus full-scale voltage and zero. Low nonlinearity must be designed inby the manufacturer.
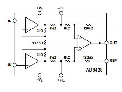
Let's now consider a couple of real-world examples found in the Newest Products section of Mouser.com. Analog Devices' AD8428 in-amp is
designed to accurately measure tiny, high-speed signals. It claims to delivers industry-leading gain-accuracy
(0.2 percent), noise, and bandwidth. ADI AD8428 (Figure 2) features a fixed gain of 2,000 and
is one of the industry's fastest in-amps. The high CMRR (130dB minimum) of the AD8428 prevents unwanted signals
from corrupting the acquisition data. The part's pinout is designed to avoid parasitic capacitance mismatches
that can degrade CMRR at high frequencies. This ADI device is said to be well-suited for use in sensor
interface, medical instrumentation, and patient-monitoring applications.
Figure 2: Functional block for AD8428
(Source: Analog Devices)
Texas Instruments INA826 Precision
Instrumentation Amplifiers offer extremely low power consumption and operate over a very wide single or
dual-supply range. The common-mode rejection ratio exceeds 84dB across the full input common-mode range from the
negative supply up to 1V of the positive supply. Using a rail-to-rail output, the TI INA826 is well-suited for
low-voltage operation from a 2.7V single supply as well as dual supplies up to ±18 V. TI INA826
Instrumentation Amplifiers are designed for use in various applications, including industrial process controls,
circuit breakers, battery tests, and ECG amplifiers.
Conclusion
To meet the design challenges presented by the different industries in the marketplace, electronic
instrumentation and measurement designs push the boundaries of performance, power, and integrated features.
We’ve presented the characteristics modern instruments require to meet customer expectations and examined
the important properties of the instrumentation amplifier. Mouser Electronics has a large portfolio of in-amps
and other parts and design resources available to help the engineer tasked with acquiring, monitoring,
controlling, or measuring different signals, processes, and protocols.