Wearables Add Fuel to the Wireless Charging Market
by Landa Culberson, Mouser Electronics
Figure
1: Moto 360 smartwatch charging on its wireless charging dock. (Source:
www.motorola.com)
Wireless charging is projected to explode over the next four years to become an $8.5B market by 2018. Bogged down
by competing standards and consumer apathy, the wireless charging market has been slow to take off, but now,
with the emergence and popularity of wearable technology, wireless charging is getting the boost it needed to
really start taking off. Not only is the case for pairing the two technologies together very compelling, but the
entrance of big names such as Google, Microsoft, and Apple into the wearables market with wirelessly charged
smartwatches is helping consumers, two-thirds of whom claimed to not know what wireless charging is at the
mid-2014 point, to grasp the concept and value of using wireless charging technology. Nevertheless, wearables
are expected to only make up a sliver of the wireless charging market in 2018. The bulk of the real opportunity
for wireless charging still lays in mobile phones, tablet PCs, and other applications. This article highlights
some of the new products available today to enable wireless charging in applications from wearables to
automotive, and everything in between.
Wireless Charging Meshes Well with Wearables
Wireless charging involves passing an alternating current through a transmitter coil (in the charging dock) to
create a magnetic field that induces a voltage in a nearby receiver coil (in the mobile device) which is then
used to charge the device battery. Less efficient than charging by USB or plugging into a wall adapter due to
losses in the energy transfer process, wireless charging takes longer to charge a battery, so a good case has to
be made for it. The case for designing wireless charging into wearables is very strong. As wearable technology
is intended to be worn on the body for long lengths of time, the form factor must be unobtrusive - small,
lightweight, and thin, not bulky. Therefore, very little area is allocated for the battery and related circuits.
Simpler wearables, like fitness trackers, can operate using a small battery up to a week without recharging, but
the trend right now is towards higher capability wearables, like the hot new smartwatches that are just arriving
on the market. These smartwatches offer power-hungry features such as full-color touchscreens, phone, and
messaging, on top of fitness tracking and thus with today's maxed-out Lithium Ion (Li-Ion) and Lithium Polymer
(Li-Pol) battery technologies, these smartwatches have very poor battery life. Reviews indicate that most
smartwatches must be recharged after one or two days, with some possibly requiring a recharge before a full
day's use is over, as is speculated may be the case with the Apple Watch that is scheduled for release in early
2015. The need for constant recharging begs for an easier charging method than through plugging in. Enter
wireless charging — with which a smartwatch's battery can be recharged simply by setting it on the dock
or, in the case of the Apple Watch, by snapping a small, round, magnetized connector to the back of the watch.
The short wireless charging time for the small batteries of smartwatches and other wearables (about an hour from
empty to fully charged), is more tolerable than the longer wait to wirelessly charge the bigger batteries in
phones and other larger mobile devices. In addition to providing convenience and reasonable charging time,
wireless charging also allows wearables to be completely sealed, or waterproof, which is an attractive
protective feature for body electronics.

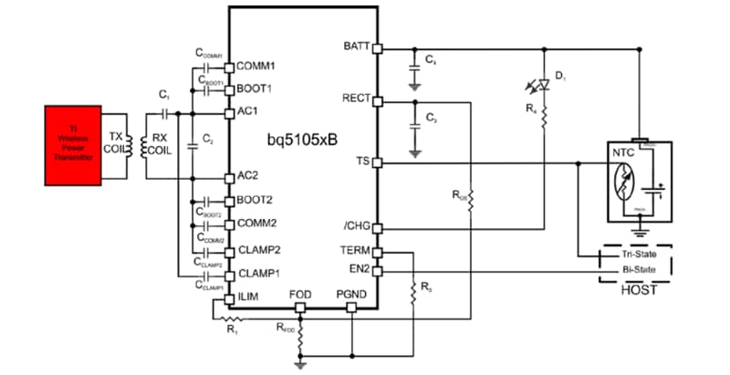
Figure
2: Typical System Block showing bq5105x used as a wireless Power Li-Ion/Li-Pol battery
charger. Together with bq500210 transmitter-side controller, the bq5105x enables a complete wireless power
transfer system for direct battery charger solution.
Texas Instruments' broad power management portfolio includes solutions for both wireless and non-wireless
(plug-in) charging of wearables. In fact, the recently introduced Moto 360 smartwatch (see Figure 1), which is
the first Google Android Wear device to feature wireless charging, uses the bq51051B wireless power receiver
solution that is compliant with the Wireless Power Consortium's Qi standard for interoperability. As such, the
Moto 360 can work with any Qi-compliant charging dock even though it comes with its own. The bq51051B is highly integrated and
combines several critical receiver-side elements including the rectifier, wireless power receiver controller,
and battery charger all in one little package. For non-wireless charging of wearables, TI offers the new bq2510x single-cell Li-Ion and
Li-Pol battery charger ICs which use either a USB input or an unregulated supply from a low-cost wall adapter to
charge the battery.
Wurth Electronics has a full line of wireless power
charging coils and is the only manufacturer with both a transmit coil and a receive coil on the market.
New additions to the portfolio, 760308100110 and 760308100111, are wireless transmitter charging coils
that feature round base plates. These coils are Qi- compliant and ideal for use in the charging docks of
round-faced "wristable" applications like some smartwatches. The 760308100110 and 760308100111 are for
type A10 and A11 Qi transmitter designs, respectively.
Automotive Applications
Wireless charging of electric vehicles is still in the early stages, with most solutions remaining in the pilot
phase for the next two to three years. Wireless charging solutions for the vehicle console however, are here
today. One example is the Freescale WCT-5WTXAUTO wireless charging reference design for automotive applications, which is
based on the Freescale WCT100xA highly integrated Qi-compliant wireless power transmitter controller for 5W coil
topologies. The multi-coil reference design is overall Qi-compliant, provides greater than 65% transfer
efficiency, and takes into account the unique challenges of implementing a wireless charger in the vehicle
environment such as handling a widely varying input voltage (6 - 14V) depending on operating conditions from the
nominal 12 VDC car battery.
Figure 3: A block diagram of Freescale's multi-coil wireless charger
reference design for automotive applications.
The design also reduces harmonic emissions to alleviate automotive system interference as well as meet auto
industry EMC standards, supports foreign object detection to alert when junk is in the way, and allows free
positioning of charging devices on the console.
Smartphones, Tablets, and More
A host of products are available for more general wireless charging applications including smartphones, tablets,
and more.
Among the latest wireless power receivers are the Panasonic AN32258A-PR and the IDTP9025A
from Renesas / IDT. Both are Qi-compliant and provide ultra-compact solutions
for mobile
applications. The IDTP9025A integrates a high-efficiency synchronous full bridge rectifier, while the AN3225A-PR
provides control for an external full bridge synchronous rectifier. Both provide foreign object detection and a
regulated 5V output that can be used to power circuits or for charging the battery.
Figure 4: A Qi-compliant wireless power system, with Panasonic's AN32258A and the
NN32251A.
For all-purpose wireless charging stations, consider once again the Freescale WCT100xA Qi-compliant
wireless power transmitter controller. A general wireless charger reference design for 5W single-coil Qi
applications is available in the WCT-5W1COILTX, which uses the WCT100xA to manage and perform all of the transmitter
control functions and provides greater than 75% transfer efficiency.
If a WPC-compliant wireless charging transmitter coil is necessary, take a look at the Vishay Dale IWTX-4646BE-50. The 24-uH, 6-A coil
features a high permeability shield to help direct the magnetic field to the coupled zone to maximize efficiency
as well as avoid interference issues, and material composition of high saturation powdered iron so that the coil
is not affected by any permanent locating magnets that might be used.
For device availability and ordering, or a comprehensive selection of additional products and solutions to
support all of your wireless charging application needs, please visit mouser.com.
Landa writes from Dallas, TX. She holds
a BSEE, and has 18 years experience in the electronics industry, from tech startups to Fortune 500 companies.